Installing Hive Multizone to Ideal Logic 35 with 2x ESRTP4 thermostats DIYnot Forums
The 'orange' wire just connects the permanent live to both the common contact of the switch and to the clock motor. The black wire is neutral. The terminals are: Switched live out (to room stat), Permanent live, Permanent live, Neutral. This is just a single channel timer. The field wiring looks like 2.5mm2.
Hive Wiring Diagram Single Channel Hive System Incorrect Wiring DIYnot Forums / Hive is

How to view your heating schedule: Push the dial to wake up the thermostat. Once the screen turns on press the Menu button. Turn the dial to select Heat, then push the dial. Choose Schedule then select View/Edit Current. Turn the dial left or right to browse through the days and to select a day.
Hive Dual Channel Wiring Diagram Combi / Combi Boiler Thermostat Wiring Youtube Create table
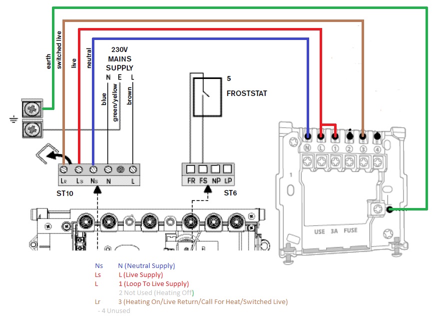
When installin a dual channel receiver, the chosen central heatin zone will need to be wired into the dual channel receiver and this zone will control the hot water. or Six sin!le channel receivers One dual channel and five sin!le channel receivers Note: Hive Multizone can support up to six heating zones and one hot water zone.
Quick check wiring Hive 2 to Worcester S28SiiII DIYnot Forums
2,995. Location. Poole, Dorset. Country. 3 Apr 2020. #3. Possible, but it will be necessary to identify the wiring connections at the boiler and most likely make some changes. Hive receiver requires minimum of 3 wires + earth, your existing thermostat only has 2 - an additional wire is present but not connected. T.
Hive Dual Channel Wiring Diagram Uploadled
I've attached an image of how the old Honeywell was wired up. I've wired it up the same on the Hive with: 2 earths to earth on the receiver. 3 blue + 1 black to neutral. 2 brown to live. 1 black to hot water on. 1 black to heating on. It powers on and I can link to the hub fine but when setting the heating on with the temp way up it's not.
Hive dual channel receiver wiring DIYnot Forums
Tim Si. Just trying to fix my homes control system for for heating and hot water, with the Hive dual channel receiver, thermostat and hub. The current setup is as follows, also attached is the wiring diagram which I have traced, suspect there is a wiring problem so need help to solve same. The Hive was installed about 6 months ago, before that.
Siemens Motorised Valve Wiring Diagram Wiring Diagram
This product is designed for fixed wiring installation only. It must be supplied via a switched fused spur with a minimum contact separation of 3mm (both live and neutral) and fitted with a 3A fuse. Hive Active Heating™ has two types of receiver: Single channel receiver for combi boilers Dual channel receiver for conventional boilers with hot
Hive Multizone Wiring Copy DIYnot Forums
Hi all, I'm collecting and installing a Hive 2 channel kit tomorrow. Simple old fashioned boiler with an indirect heating coil in the water cylinder and a pumped CH circuit sharing single water connections to the boiler. No motorised valves or pumps on the hot water circuit. CH pump is controlled by a single thermostat in one of the rooms which.
Hive Wiring Diagram Ideal Combi Boiler Circuit Diagram
Hive Active Heating 2 Wired Thermostat. Model: SLT5. This is our wired thermostat for combi boilers. It's a good option if you want to connect it to your existing thermostat's wiring and put it in the same place. It's also a good option if you have a larger home or one with thick walls, or if your boiler is hard to reach. It takes 3x AA batteries.
Hive dual channel wiring help DIYnot Forums
Single Sign On Login. Log into your account. Username:
Hive receiver installation question

Make sure the receiver's front panel is firmly attached in place. Turn on your receiver. It should have an amber light confirming that it's ready to connect to the thermostat and hub. Press the "Central heating" button. You should see a green light as the boiler fires up.
Worcester Bosch Cdi Wiring Diagram Wiring Diagram My XXX Hot Girl
Country. 21 Dec 2018. #1. Hi, Just moved into a new home and planning to replace the existing timer, for heating and hot water, with the Hive dual channel receiver, thermostat and hub. There doesn't seem to an existing thermostat in the house, only the timer. The attached images are of the existing wiring and the diagram on the back of the timer.
Download Free Wiring Diagram Download Hive Dual Channel Wiring Diagram Y Plan Pictures

Understanding Hive Dual Channel Wiring: What You Need to KnowDual channel wiring harnesses are an efficient, reliable way to connect electronic components. They can be used in a wide range of applications, including automotive, industrial, and home electrical systems. With their two-wire design, they provide a safe way to power multiple devices at once.
Hive Wiring Diagram Worcester Greenstar 30si Wiring Flow Schema
About Press Copyright Contact us Creators Advertise Developers Terms Privacy Policy & Safety How YouTube works Test new features NFL Sunday Ticket Press Copyright.
Download Free Wiring Diagram Download Hive Dual Channel Wiring Diagram Y Plan Pictures
Note: Hive Multizone can support up to three heating zones and one hot water zone. Each Multizone installation should include a maximum of: When installing a dual channel receiver, the chosen central heating zone will need to be wired into the dual channel receiver and this zone will control the hot water. One dual channel and two single
Hive Active Heating Wiring Diagram

BS7671 (IEE Wiring Regulations), Part 'P' of the Building Regulations and any relevant Technical Operational Procedures. Dual channel The Hive receiver is double insulated so doesn't receiver need an earth connection. You'll find a tether on the for conventional backplate to secure an earth wire if needed.
.- Wooden Slats For Double Bed
- Samsung Flip 3 Screen Replacement
- Sentido Elounda Blu Greece Crete Elounda
- The Agents House Bed And Breakfast
- Tongue And Groove Timber Cladding
- Male To Male Body Massage
- Slimming World Speed Soup Recipe
- Joie Bold Isofix Group 1 2 3
- Preston Edge Monster 10m Margin Pole
- Brake Fluid For Fiat 500
- Best White Paint For Wood
- Mini Alcohol Bottles Gift Set
- 600 X 900 Porcelain Slabs
- Inspector Lewis The Soul Of Genius
- Year 5 High Frequency Words
- Make Your Own Teddy Bear Kit
- Mg Hs Car Mats With Logos
- Indesit Washing Machine Manual 7kg Manual Pdf
- How To Paint Rattan Furniture
- Queen For A Day Thickening Spray