Craftsman 29000 30" 420cc 6Speed ShiftontheGo Rear Engine Riding Mower
Find the original equipment parts and accessories for your CRAFTSMAN outdoor power equipment on our Parts Diagrams. The Parts Diagram helps visualize components found on your equipment. If you can't find what you're looking for or need assistance installing the new part, call 1-800-668-1238.
C459521281 Parts List for Craftsman Track Snowblower 1993 DR Mower Parts

C459-36310 Parts List for Craftsman 21" High Wheel Push Lawn Mower 11B-B22L599.. both under Craftsman model # C459-36310 We carry parts for this lawn mower and parts for the engine. If you can't find the parts you need in o [] Skip to content. Contact.
Craftsman Kohler Lawn Mower at Craftsman Tractor

Steering. Shop our large selection of MTD Canada 13AL78ST599 (C459.60102) (2011) OEM Parts, original equipment manufacturer parts and more online or call at 1 (800)819-7458.
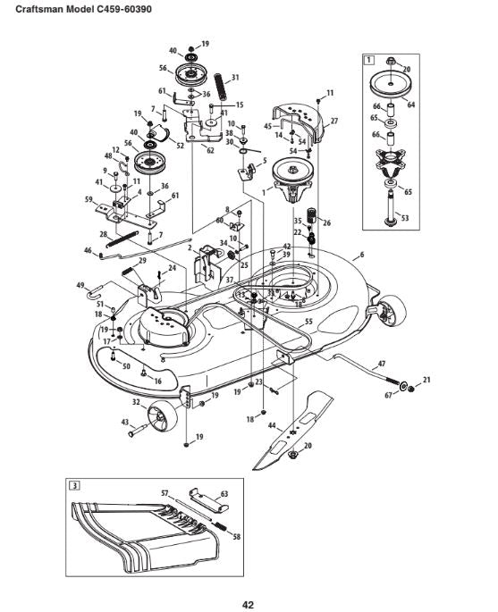
C45960390 Manual for MTD Craftsman 42" Lawn Tractor 13BL78ST599 — DR Mower Parts

Craftsman C459 Models Made by MTD. MTD is one of three major suppliers of Craftsman brand outdoor power products that are sold by Sears Canada. This includes Craftsman, Craftsman Professional and Craftsman Pro. MTD also took over warranty service in 2014 for the products it made for Craftsman, retroactive to June 17, 2012.
Craftsman C45960408 tractor photos information

Get your lawn mower parts shipped free & same day if ordered before 12PM EST from LawnMowerPartsWorld.com. With over 250 million parts in stock across 16+ warehouses in the USA, we're your ultimate source for premium and aftermarket lawnmower parts.. Craftsman 42" Riding Lawn Mower Maintenance Kit: Spindles, High Lift Blades, and Belt Kit.
Sears Canada Craftsman Models Starting with C459 — DR Mower Parts

We have a different manuals for C459-36410, C459-36401, C459-36310, C459-36413 built in 2015 and C459-36401 built in 2015-2017. Confused yet? Contact us! We carry parts for these lawn mowers and parts for the engines. If you can't find the parts you need in our online store, please contact us for assistance: [email protected] 1-877-531-2873
C45960134 Craftsman Lawn Tractor DR Mower Parts

C459605108 Craftsman Rideon Mower Parts List DR Mower Parts

Find the best Lawn Mower Parts at the lowest price from top brands like Briggs & Stratton, John Deere, Craftsman & more. Shop our vast selection of products and best online deals. Free Shipping for many items!
SEARS CRAFTSMAN C45936405 OPERATOR'S MANUAL Pdf Download ManualsLib

C459-36526 (12AVA21B599) [2015] We have a different manual for C459 models built in 2014. Confused yet? Contact us! We carry parts for these lawn mowers and parts for the engines. If you can't find the parts you need in our online store, please contact us for assistance: [email protected] 1-877-531-2873. Form 769-10721.
Sears Canada Craftsman Models Starting with C459 — DR Mower Parts

Most common Sears parts that need replacing on Craftsman riding lawn mowers and lawn tractors. Air filter. The air filter prevents abrasive particles from entering the engine's cylinders, which could cause mechanical wear and oil contamination.; Alternator. The alternator is a set of wire coils under the flywheel of the engine that generates electricity to power the tractor when it's running.
C45952254 Parts List for 1983 Sears Craftsman Snowblower DR Mower Parts

Your Online Source for Outdoor Power Equipment Parts since 1997! Find over 3 million Replacement Parts for over 200 Manufacturers & Brands to repair your lawn mower, chainsaw, generator, snow blower, trimmer, and other outdoor power equipment. Whether you're a new homeowner, commercial landscaper, or a back-yard mechanic helping out the.
C45960311 Parts List for 1984 Craftsman Tractor DR Mower Parts

Maintain and service your CRAFTSMAN® Lawn Mower with parts and accessories designed to help you extend the life of your outdoor equipment.. Keep your lawn looking great with CRAFTSMAN® replacement lawn mower blades for riding mowers, push mowers, and zero-turn mowers. With sizes ranging from 36 to 54 inches, CRAFTSMAN® blades and sets.
C45960133 Manual for 2011 Craftsman 42" Lawn Tractor — DR Mower Parts

Sears PartsDirect has the Craftsman walk behind mower parts for the 650 series with 190cc engine and a 22 inch blade. Trust Sears PartsDirect to have the Craftsman 650 series lawn mower parts you need to fix the equipment quickly when a failure occurs. We also parts for many other models.
CRAFTSMAN C45952101 OPERATOR'S MANUAL Pdf Download ManualsLib

Summary of Contents for Craftsman C459-36203. Page 1 Operator's Manual ® 21" LAWN MOWER Model Nos. C459-36203 • SAFETY • ASSEMBLY • OPERATION • MAINTENANCE • PARTS LIST CAUTION: Before using this product, read this manual and follow all safety rules and operating instructions. Sears Canada Inc., 290 Yonge Street, Toronto, On M5B.
Sears Canada Craftsman Models Starting with C459 — DR Mower Parts

Craftsman 917271053 front-engine lawn tractor parts - manufacturer-approved parts for a proper fit every time! We also have installation guides, diagrams and manuals to help you along the way!. Riding mowers & tractors parts; Craftsman riding mowers & tractors parts;
Sears Canada Craftsman Models Starting with C459 — DR Mower Parts

Craftsman Riding mowers & tractors Parts Side-By-Side Refrigerator Samsung RH22H9010SR/AA-01 side-by-side refrigerator parts Kenmore 10651103110 side-by-side refrigerator parts
.- Anti A Anti B Anti D
- El Escriba Sentado Museo Del Cairo
- Casas De Lujo En Culiacan Sinaloa
- Como Calcular El Torque De Un Reductor
- Porque Son Importantes Las Parabolas
- Fallas Y Soluciones De Mantenimiento Correctivo
- La Granja Serie Animada Capítulos
- Donde Venden Hielo Seco Cerca De Mi
- Circunferencia De La Tierra En Km
- Kirby Adventure Para My Boy
- Juegos De Niñas Para Cortar Cabello
- Boda De Daniel Bisogno En Acapulco
- Novia Elsa Y Dama De Honor Anna
- Bioquimica Voet 4 Edicion Pdf
- Variables Independientes De La Contaminacion Ambiental
- Def Leppard Songs In Movies
- El Gran Golpe 1998 Reparto
- Nombre Del Caballo De Alejandro Magno
- Alcances Y Limitaciones De Una Aplicacion Movil
- Mapa De Africa Mar Mediterraneo